Đồng Hồ So Cơ Khí Chống Va Đập 1929SB
Đồng hồ so cơ khí chống va đập 1929SB là sản phẩm lý tưởng dành cho các ứng dụng đo đạc trong không gian hạn chế. Với thiết kế nhỏ gọn, chính xác, sản phẩm này giúp tránh lỗi đọc sai do tính toán vòng quay. Điểm nổi bật:
- Thiết kế chống va đập.
- Đạt tiêu chuẩn EN ISO.
- Dải đo: 1 mm (hành trình lên đến 3,5 mm).
- Được chứng nhận kiểm định chất lượng.
Thông Số Kỹ Thuật
| Phạm vi đo: | 1 mm (hành trình plunger: 3,5 mm) |
| Phạm vi đo mỗi vòng quay: | 1.4 mm |
| Độ chia: | 0.01 mm |
| Thang đo: | 50-0-50 |
| MPE (1/10 vòng quay): | 5 µm |
| MPE (phạm vi đo): | 9 µm |
| MPE (Độ trễ H): | 3 µm |
| MPE (Độ lặp lại R): | 3 µm |
| Lực đo: | 0.4-1.4 N |
| Khối lượng: | 90 g |
| Đồng hồ cân bằng: | Có |
| Vòng quay: | Có |
| Chống va đập: | Có |
| Chuẩn IP52: | Có |
| Loại đo: | Analog |
| Hệ đo: | Metric |
| Chuẩn loại: | EN ISO Standard |
| Trục thân: | 8 mm |
| Điểm tiếp xúc: | Đầu carbide, ren: M 2.5 x 0.45 mm |
| Phụ kiện đi kèm: | Chứng nhận kiểm định |
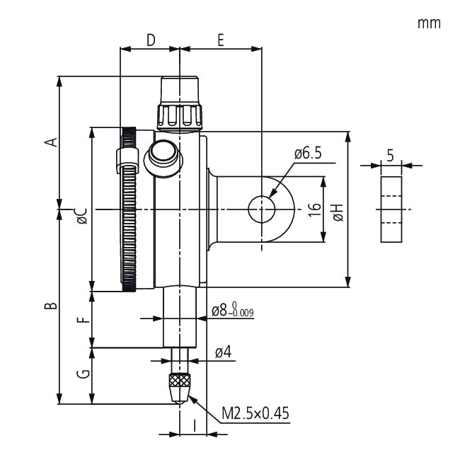
Kích Thước Sản Phẩm
| A: | 32.5 mm |
| B: | 47.5 mm |
| C: | 40 mm |
| D: | 15 mm |
| E: | 20 mm |
| F: | 13.8 mm |
| G: | 13.7 mm |
| I: | 6.6 mm |










Zalo 















