Đồng Hồ So Cơ Khí Mặt Lớn – Giải Pháp Đo Kiểm
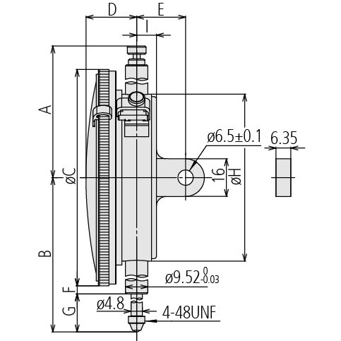
Đồng hồ so cơ khí tiêu chuẩn với mặt số lớn ø 92 mm, giúp dễ dàng đọc kết quả. Sản phẩm được trang bị sẵn các chỉ số giới hạn và khóa vành.
Thông số kỹ thuật:
| Phạm vi đo: | 100 mm |
| Phạm vi đo mỗi vòng: | 1 mm |
| Độ chia: | 0.01 mm |
| MPE (1/10 vòng): | 12 µm |
| MPE (1/2 vòng): | 17 µm |
| MPE (1 vòng): | 20 µm |
| H MPE (Độ trễ): | 9 µm |
| Khối lượng: | 317 g |
| R MPE (Tính lặp lại): | 3 µm |
| Thang đo: | 0-100 (100-0) |
| Kích thước C: | 94.9 mm |
| Kích thước D: | 109.4 mm |
| Khối lượng (có và không chân đế): | 332/317 g |
| Thân: | 8 mm |
| Điểm tiếp xúc: | Mũi hợp kim cacbua, ren: M 2.5 x 0.45 mm |
| Giao hàng kèm theo: | Giấy chứng nhận kiểm tra, chỉ số giới hạn |
| Loại: | Analog |
| Hệ đo: | Metric |
| fu: | 13 µm |
Tất cả sản phẩm được cung cấp chỉ dành cho khách hàng thương mại.
Product illustrations are without obligation. Product descriptions, in particular any and all technical specifications, are only binding when explicitly agreed upon.










Zalo 












